
20,68 €

17,85 €

Boquilla M/LAVAR Ø 4 X 15º 1/8"
17,85 €

Basculante trasero macho BA Ø 125
- Charnela macho para cilindro ISO Ø 125.- No incluye bulón de sujeccion al cilindro ni tornillería.- Material aluminio.
123,50 €

17,85 €

17,85 €

17,85 €

Basculante trasero macho BA Ø 100
- Charnela macho para cilindro ISO Ø 100.- No incluye bulón de sujeccion al cilindro ni tornillería.- Material aluminio
61,35 €
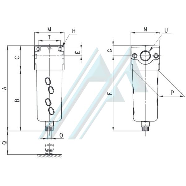
Caratteristiche generali:
Design: modulare compatto con elemento filtrante in HDPE
Materiali: zama, NBR, tecnopolimero
Attacchi filettati: G1 / 4
Capacità massima di condensazione: cm³ 28
Peso: Kg 0,339
Montaggio: verticale in linea o parete
Temperatura di esercizio: -5 ° C ÷ 50 ° C a 10 bar (con punto di rugiada del fluido inferiore a 2 ° C alla minima temperatura di esercizio)
Porosità elemento filtrante: standard 25 μm; 5 μm su richiesta
Scarico condensa: manuale - standard semiautomatico
Esecuzione: verniciato
Pressione di esercizio: con scarico standard e depressurizzazione protetta 0,3 ÷ 16 bar; con depressurizzazione 0,3 ÷ 10 bar
Dimensioni:
| MODELLO | PER | B | C | E | F | G | H | M | N | O | P | Q | T | O |
| CMC104F00 | 143 | 102 | 41 | undici | 126.5 | 16.5 | 4.5 | Quattro cinque | Quattro cinque | G1 / 8 | 37 | 58 | 35 | G1 / 4 |