
Racor T/L-MF JIC/BSPP 1"1/16-3/4"
13,70 €

188,42 €

244,23 €

13,35 €

13,65 €

13,65 €

13,35 €

15,60 €
Características gerais:
Design: modular compacto com elemento de filtro HDPE
Materiais: zama, NBR, tecnopolímero
Conexões roscadas: G1 / 4
Capacidade máxima de condensação: cm³ 28
Peso: Kg 0,339
Montagem: vertical em linha ou parede
Temperatura de trabalho: -5 ° C ÷ 50 ° C a 10 bar (com ponto de orvalho do fluido inferior a 2 ° C no mínimo. Temperatura de trabalho)
Porosidade do elemento filtrante: padrão 25 μm; 5 μm a pedido
Descarga de condensado: manual - padrão semiautomático
Execução: envernizado
Pressão de trabalho: com descarga padrão e despressurização protegida 0,3 ÷ 16 bar; com despressurização 0,3 ÷ 10 bar
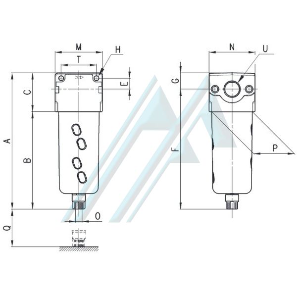
Dimensões:
| MODELO | PARA | B | C | E | F | G | H | M | N | OU | P | Q | T | OU |
| CMC104F00 | 143 | 102 | 41 | onze | 126,5 | 16,5 | 4,5 | Quatro cinco | Quatro cinco | G1 / 8 | 37 | 58 | 35 | G1 / 4 |