
20,68 €

17,85 €

Boquilla M/LAVAR Ø 4 X 15º 1/8"
17,85 €

Basculante trasero macho BA Ø 125
- Charnela macho para cilindro ISO Ø 125.- No incluye bulón de sujeccion al cilindro ni tornillería.- Material aluminio.
123,50 €

17,85 €

17,85 €

17,85 €

Basculante trasero macho BA Ø 100
- Charnela macho para cilindro ISO Ø 100.- No incluye bulón de sujeccion al cilindro ni tornillería.- Material aluminio
61,35 €
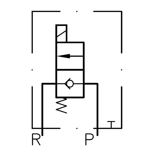
Tutti i componenti rilevanti per il funzionamento, dal rotore elettromagnetico agli elementi della valvola, sono lubrificati con olio idraulico e non richiedono manutenzione. Il vano rotore elettromagnetico a tenuta di pressione è direttamente collegato all'uscita della valvola R. Di conseguenza è sufficiente una semplice punteria, senza alcun tipo di tenuta, tra il rotore elettromagnetico e gli elementi valvola. Ciò consente di ottenere una vita utile molto lunga (senza usura delle guarnizioni). La forza elettromagnetica dipende notevolmente dalle pressioni esistenti, quindi spesso è possibile lavorare anche in bassa tensione, questo abbassa la temperatura dell'elettromagnete, aumentandone la vita utile.