
20,68 €

17,85 €

Boquilla M/LAVAR Ø 4 X 15º 1/8"
17,85 €

Basculante trasero macho BA Ø 125
- Charnela macho para cilindro ISO Ø 125.- No incluye bulón de sujeccion al cilindro ni tornillería.- Material aluminio.
123,50 €

17,85 €

17,85 €

17,85 €

Basculante trasero macho BA Ø 100
- Charnela macho para cilindro ISO Ø 100.- No incluye bulón de sujeccion al cilindro ni tornillería.- Material aluminio
61,35 €
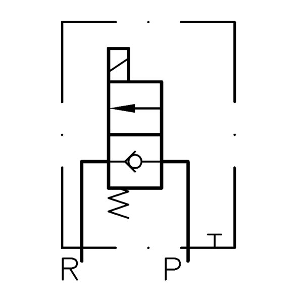
Todos os componentes relevantes para a função, do rotor eletromagnético aos elementos da válvula, são lubrificados com óleo hidráulico e não precisam de manutenção. O compartimento do rotor eletromagnético à prova de pressão é conectado diretamente à saída da válvula R. Assim, um simples taco, sem qualquer tipo de vedação, entre o rotor eletromagnético e os elementos da válvula é suficiente. Isto permite obter uma vida útil muito longa (sem desgaste das juntas). A força eletromagnética depende consideravelmente das pressões existentes, por isso muitas vezes é possível trabalhar também com baixa tensão, isso reduz a temperatura do eletroímã, aumentando assim a vida útil.