
20,68 €

17,85 €

Boquilla M/LAVAR Ø 4 X 15º 1/8"
17,85 €

Basculante trasero macho BA Ø 125
- Charnela macho para cilindro ISO Ø 125.- No incluye bulón de sujeccion al cilindro ni tornillería.- Material aluminio.
123,50 €

17,85 €

17,85 €

17,85 €

Basculante trasero macho BA Ø 100
- Charnela macho para cilindro ISO Ø 100.- No incluye bulón de sujeccion al cilindro ni tornillería.- Material aluminio
61,35 €
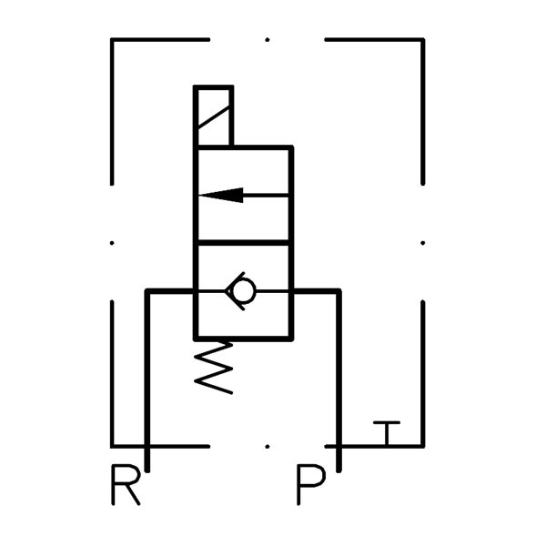
All function-relevant components, from the electromagnetic rotor to the valve elements, are lubricated with hydraulic oil and are maintenance-free. The pressure-tight electromagnetic rotor compartment is directly connected to the valve outlet R. As a result, a simple tappet, without any type of sealing, between the electromagnetic rotor and the valve elements is sufficient. This allows to obtain a very long useful life (without wear of the seals). The electromagnetic force depends considerably on the existing pressures, so it is often possible to work with low voltage as well, this reduces the temperature of the electromagnet, thus increasing the useful life.