
20,68 €

17,85 €

Boquilla M/LAVAR Ø 4 X 15º 1/8"
17,85 €

Basculante trasero macho BA Ø 125
- Charnela macho para cilindro ISO Ø 125.- No incluye bulón de sujeccion al cilindro ni tornillería.- Material aluminio.
123,50 €

17,85 €

17,85 €

17,85 €

Basculante trasero macho BA Ø 100
- Charnela macho para cilindro ISO Ø 100.- No incluye bulón de sujeccion al cilindro ni tornillería.- Material aluminio
61,35 €
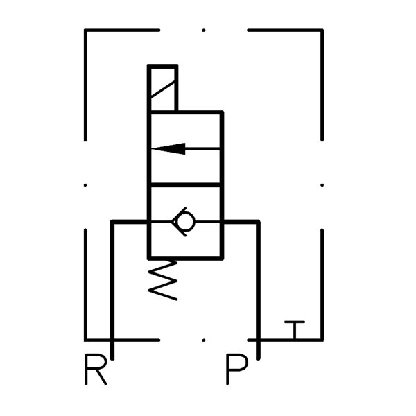
Tous les composants fonctionnels, du rotor électromagnétique aux éléments de vanne, sont lubrifiés avec de l'huile hydraulique et ne nécessitent aucun entretien. Le compartiment rotor électromagnétique étanche à la pression est directement relié à la sortie de vanne R. En conséquence, un simple poussoir, sans aucun type d'étanchéité, entre le rotor électromagnétique et les éléments de vanne suffit. Cela permet d'obtenir une très longue durée de vie (sans usure des joints). La force électromagnétique dépend considérablement des pressions existantes, il est donc souvent possible de travailler également à basse tension, ce qui réduit la température de l'électroaimant, augmentant ainsi la durée de vie utile.